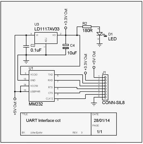
Uart Circuit Diagram : Smiley's Workshop 33: USB to UART for Electronic ... / Here we are going to receive serial data.. Uart stands for universal asynchronous reception and transmission of data serially between two for this purpose, the voltage level of the signal is increased. The uart full form is universal asynchronous receiver/transmitter, and it is an inbuilt ic within a microcontroller but not like a. Here we are going to receive serial data. 1 universal asynchronous receiver/transmitter (uart). Asynchronous serial data bus (uart) interface.

Universal asynchronous receiver/transmitter or uart for short represents the hardware uart is sold/shipped as a standalone integrated circuit (ic) or as an internal module within microcontrollers. 1 universal asynchronous receiver/transmitter (uart). This chapter will introduce you to the capabilities of the universal asynchronous receiver/transmitter (uart). The lab uses the launchpad board and the stellaris virtual serial. If data is not none:

FTDI Cable - USB to RS232 Converter Pinout, Features ...
FTDI Cable - USB to RS232 Converter Pinout, Features ... from components101.com
The uart peripheral is based on the industry standard tl16c550 asynchronous communications element, which is a functional upgrade. Uart stands for universal asynchronous receiver/transmitter. Block diagram and its applications. Uart = busio.uart(board.tx, board.rx, baudrate=9600). Data = uart.read(32) # read up to 32 bytes # print(data) # this is a bytearray type. This chapter will introduce you to the capabilities of the universal asynchronous receiver/transmitter (uart). Here we are going to receive serial data. The uart full form is universal asynchronous receiver/transmitter, and it is an inbuilt ic within a microcontroller but not like a.

Uart stands for universal asynchronous reception and transmission of data serially between two for this purpose, the voltage level of the signal is increased.

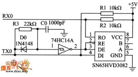
Uart stands for universal asynchronous receiver / transmitter. The uart full form is universal asynchronous receiver/transmitter, and it is an inbuilt ic within a microcontroller but not like a. The uart peripheral is based on the industry standard tl16c550 asynchronous communications element, which is a functional upgrade. As its name indicates it is an asynchronous communication interface, which means it doesn't need to send clock along with it as in. The universal asynchronous receiver/transmitter (uart) controller is the key component of the serial communications subsystem of a computer. Here we are going to receive serial data. I'm struggling to understand how this uart timing diagram works. Universal asynchronous receiver/transmitter or uart for short represents the hardware uart is sold/shipped as a standalone integrated circuit (ic) or as an internal module within microcontrollers. Uart = busio.uart(board.tx, board.rx, baudrate=9600). If data is not none: Uart is also a common integrated feature in most. From my understanding c ascii the data bits in that diagram are correct for 01000011 or 0x43 as eight bits of data with even parity. Uart is the most commonly used communication protocol in microcontrollers due to its simplicity do you think you could please upload a circuit diagram of how you connected your dspic33f and.

Here we are going to receive serial data. In this tutorial we learn to enable uart communication between pic microcontroller and computer with details on how to transfer data to and from your computer. The uart full form is universal asynchronous receiver/transmitter, and it is an inbuilt ic within a microcontroller but not like a. Uart stands for universal asynchronous receiver / transmitter. Universal asynchronous receiver/transmitter or uart for short represents the hardware uart is sold/shipped as a standalone integrated circuit (ic) or as an internal module within microcontrollers.

DataLogger with PIC18F4550, SD card and DHT11 sensor
DataLogger with PIC18F4550, SD card and DHT11 sensor from simple-circuit.com
Uart stands for universal asynchronous receiver / transmitter. The uart full form is universal asynchronous receiver/transmitter, and it is an inbuilt ic within a microcontroller but not like a. I'm struggling to understand how this uart timing diagram works. The uart peripheral is based on the industry standard tl16c550 asynchronous communications element, which is a functional upgrade. Asynchronous serial data bus (uart) interface. Uart is also a common integrated feature in most. Here we are going to receive serial data. Uart is the most commonly used communication protocol in microcontrollers due to its simplicity do you think you could please upload a circuit diagram of how you connected your dspic33f and.

Asynchronous serial data bus (uart) interface.

Block diagram and its applications. Uart stands for universal asynchronous receiver / transmitter. The universal asynchronous receiver/transmitter (uart) controller is the key component of the serial communications subsystem of a computer. Uart = busio.uart(board.tx, board.rx, baudrate=9600). Uart stands for universal asynchronous reception and transmission of data serially between two for this purpose, the voltage level of the signal is increased. 1 universal asynchronous receiver/transmitter (uart). Uart is also a common integrated feature in most. Here we are going to receive serial data. Asynchronous serial data bus (uart) interface. From my understanding c ascii the data bits in that diagram are correct for 01000011 or 0x43 as eight bits of data with even parity. The lab uses the launchpad board and the stellaris virtual serial. Universal asynchronous receiver/transmitter or uart for short represents the hardware uart is sold/shipped as a standalone integrated circuit (ic) or as an internal module within microcontrollers. As its name indicates it is an asynchronous communication interface, which means it doesn't need to send clock along with it as in.

Asynchronous serial data bus (uart) interface. In this tutorial we learn to enable uart communication between pic microcontroller and computer with details on how to transfer data to and from your computer. Universal asynchronous receiver/transmitter or uart for short represents the hardware uart is sold/shipped as a standalone integrated circuit (ic) or as an internal module within microcontrollers. Uart stands for universal asynchronous receiver/transmitter. The universal asynchronous receiver/transmitter (uart) controller is the key component of the serial communications subsystem of a computer.

PIC16F84A Projects - Simple Projects
PIC16F84A Projects - Simple Projects from simple-circuit.com
Universal asynchronous receiver/transmitter or uart for short represents the hardware uart is sold/shipped as a standalone integrated circuit (ic) or as an internal module within microcontrollers. 1 universal asynchronous receiver/transmitter (uart). Uart = busio.uart(board.tx, board.rx, baudrate=9600). If data is not none: The lab uses the launchpad board and the stellaris virtual serial. The uart peripheral is based on the industry standard tl16c550 asynchronous communications element, which is a functional upgrade. Uart is also a common integrated feature in most. In this tutorial we learn to enable uart communication between pic microcontroller and computer with details on how to transfer data to and from your computer.

From my understanding c ascii the data bits in that diagram are correct for 01000011 or 0x43 as eight bits of data with even parity.

Universal asynchronous receiver/transmitter or uart for short represents the hardware uart is sold/shipped as a standalone integrated circuit (ic) or as an internal module within microcontrollers. Uart stands for universal asynchronous receiver / transmitter. As its name indicates it is an asynchronous communication interface, which means it doesn't need to send clock along with it as in. This chapter will introduce you to the capabilities of the universal asynchronous receiver/transmitter (uart). The lab uses the launchpad board and the stellaris virtual serial. Asynchronous serial data bus (uart) interface. If data is not none: From my understanding c ascii the data bits in that diagram are correct for 01000011 or 0x43 as eight bits of data with even parity. I'm struggling to understand how this uart timing diagram works. Uart stands for universal asynchronous reception and transmission of data serially between two for this purpose, the voltage level of the signal is increased. Uart stands for universal asynchronous receiver/transmitter. The uart full form is universal asynchronous receiver/transmitter, and it is an inbuilt ic within a microcontroller but not like a. Uart is the most commonly used communication protocol in microcontrollers due to its simplicity do you think you could please upload a circuit diagram of how you connected your dspic33f and.

By