Lionel Train Wiring Diagram : Wiring A Lionel Otc To Uncoupling Tracks Articles Lionel Com : Wiring a lionel otc to uncoupling tracks.. Here at last to start wiring up my trackside signals which are all lionel! Most house wiring in no. Lionel kw transformer wiring diagram cheap toys kids. O27 toy pdf manual download. Wiring a lionel otc to uncoupling tracks.

Wiring a lionel otc to uncoupling tracks. For your layout, we recommend a no. I have looked at a lot of ways of wiring the lighted buildings and street lamps. Classic, small layouts are featured with parts lists, descriptions, wiring diagrams, and more. Auto crossing gate and signal #62162;

Lionel Train Wiring Diagrams Switch Options Indexes Jaguars Yenpancane Jeanjaures37 Fr
Lionel Train Wiring Diagrams Switch Options Indexes Jaguars Yenpancane Jeanjaures37 Fr from static-cdn.imageservice.cloud
I have a total of 28 command control fastrack that want to start wiring up to a central location. You should be aware that lionel created very few illustrations and diagrams for prewar engines if there is. Most lionel outfits include atransformer which is suitable for operating the train plus a few lights or signal s. As you add more track, wire, and turnouts, stop and test your work by running a train. I am building my first layout with a lot of inherited trains. Wrap the offending wires with electrical tape, or replace them entirely. Of the diagram, and the schematron.org track in tbe center of the insid loop. Hobbyists and model railroad fans have been collecting and playing with lionel trains since 1900.

Here you will find links to most of the illustrations and diagrams that have been created for lionel's steam engines beginning with items manufactured during the early 1900's through to 1969 and beyond.

Classic, small layouts are featured with parts lists, descriptions, wiring diagrams, and more. It includes directions and diagrams for various types of wiring methods and other products like lights, home windows, and so forth. Manufacturer of model trains and accessories in o and standard gauges. Wiring a lionel otc to uncoupling tracks. Now you can own a rare piece of lionel history, too. I am going to wire in the switch lever and also use command control. Provides hobbyist and club information and free downloads are available. Stranded wire is really a bundle of smaller diameter wires wound together. Most lionel outfits include atransformer which is suitable for operating the train plus a few lights or signal s. I have looked at a lot of ways of wiring the lighted buildings and street lamps. Of the diagram, and the schematron.org track in tbe center of the insid loop. White and black are common selections. Wiring a traditional operating track with the otc.

Wiring a lionel otc to uncoupling tracks. Each component should be placed and linked to other parts in particular manner. Wire comes in many sizes in solid and stranded varieties. It is best to use at least two different colors for your track wiring (one for each rail). All electric train layouts require attachment to a power source to make them operational.

1960 Lionel Train Motor Wiring Diagram Bmw X5 Fuse Box Location Bege Wiring Diagram
1960 Lionel Train Motor Wiring Diagram Bmw X5 Fuse Box Location Bege Wiring Diagram from www.tuveson.com
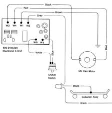
Most lionel outfits include atransformer which is suitable for operating the train plus a few lights or signal s. 1 is for ground, 2 is for the short left side rails, 3 is for power, and 4 is for the short right side rails. Here at last to start wiring up my trackside signals which are all lionel! Manufacturer of model trains and accessories in o and standard gauges. Each component should be placed and linked to other parts in particular manner. Lionel kw transformer wiring diagram cheap toys kids. Stranded wire is really a bundle of smaller diameter wires wound together. Wire comes in many sizes in solid and stranded varieties.

Semaphore #151 and newer ones#22944 the mainline automatic operating semaphone:

Wrap the offending wires with electrical tape, or replace them entirely. Of the diagram, and the schematron.org track in tbe center of the insid loop. Now you can own a rare piece of lionel history, too. Wiring diagrams product name or number to search for service documents for a certain product, please enter the product number or the first few letters of the product you are looking for below and click the search button. It is best to use at least two different colors for your track wiring (one for each rail). Manufacturer of model trains and accessories in o and standard gauges. Lionel kw transformer wiring diagram cheap toys kids. Hobbyists and model railroad fans have been collecting and playing with lionel trains since 1900. I have a total of 28 command control fastrack that want to start wiring up to a central location. White and black are common selections. I am going to wire in the switch lever and also use command control. The lionel service manual wiring diagram explains the terminals on the uncoupling track section this way: All electric train layouts require attachment to a power source to make them operational.

I am building my first layout with a lot of inherited trains. White and black are common selections. Lionel 1033 manual diagram rw transformer wiring full version hd quality infinidiagram1e portoniathos it using electric trains model on fastrack o gauge railroading line forum when in doubt read the instructions connections type cheap toys kids question about 1981 ford radio 800sss tukune jeanjaures37 fr kw 4 lamp mh ballast source auto5 yenpancane wiringdiagramimages us fimenor zw repair. Wire comes in many sizes in solid and stranded varieties. Most lionel outfits include atransformer which is suitable for operating the train plus a few lights or signal s.

Lionel Train Wiring Wiring Diagram Please Globe Please Globe Remieracasteo It
Lionel Train Wiring Wiring Diagram Please Globe Please Globe Remieracasteo It from slsprr.net
Here at last to start wiring up my trackside signals which are all lionel! All electric train layouts require attachment to a power source to make them operational. The initial goal of a new model railroader flush with locomotives, track, and rolling stock is to operate two trains on his layout at the same time, each with independent speed and direction control. If you have acquired an older set of lionel trains, successfully powering up the tracks will only require a few minutes. I am now getting to the wiring phase. Here you will find links to most of the illustrations and diagrams that have been created for lionel's steam engines beginning with items manufactured during the early 1900's through to 1969 and beyond. 1 is for ground, 2 is for the short left side rails, 3 is for power, and 4 is for the short right side rails. As you add more track, wire, and turnouts, stop and test your work by running a train.

As you add more track, wire, and turnouts, stop and test your work by running a train.

Each component should be placed and linked to other parts in particular manner. Here you will find links to most of the illustrations and diagrams that have been created for lionel's steam engines beginning with items manufactured during the early 1900's through to 1969 and beyond. Manufacturer of model trains and accessories in o and standard gauges. I have looked at a lot of ways of wiring the lighted buildings and street lamps. The initial goal of a new model railroader flush with locomotives, track, and rolling stock is to operate two trains on his layout at the same time, each with independent speed and direction control. Classic, small layouts are featured with parts lists, descriptions, wiring diagrams, and more. I am building my first layout with a lot of inherited trains. Now you can own a rare piece of lionel history, too. Wiring a lionel otc to uncoupling tracks. Semaphore #151 and newer ones#22944 the mainline automatic operating semaphone: I am now getting to the wiring phase. Classic toy trains magazine offers information about toy trains operating and collecting, toy train product news and reviews, toy train layout tips, toy train layout designs and track plans, and more. I have a total of 28 command control fastrack that want to start wiring up to a central location.

By