2002 Chevy Avalanche Radio Wiring Diagram - 2001 Chevy Avalanche Wiring Diagram Home Wiring Diagram Menu Mattress Menu Mattress Rossileautosrl It / Could you please tell were the wires go.. I don't know about those wire connections not plugged in. It will be useful when installing an aftermarket radio, sound stereo system, or other automotive accessories. Seeking information concerning 2002 chevy avalanche wiring diagram? A set of wiring diagrams may be required by the electrical inspection authority to take on board relationship of the dwelling to the public electrical supply system. Avalanche 1500 2wd brake lines rear chevrolet epc line.

Avalanche 1500 2wd brake lines rear chevrolet epc line. Stereo speaker adapter kit chevy avalanche 2002. It snaps in place using the same mounting system as the factory radio. The first element is emblem that indicate electric. Or google it, you can find about everything on the internet, but sometimes a problem with too small of print, or maybe my computer skills need sharpening.

Chevy Avalanche Stereo Wiring Diagram 2011 Dodge Ram Pick Up 1500 Ac Wiring Diagram Dodyjm Tukune Jeanjaures37 Fr
Chevy Avalanche Stereo Wiring Diagram 2011 Dodge Ram Pick Up 1500 Ac Wiring Diagram Dodyjm Tukune Jeanjaures37 Fr from 1110vwiring1.arbredesvoix.fr
I found out on here tp tie the orange and orange black together and tie them to the yellow but it says not to cut the yelow but me remote start says to cut it. The first element is emblem that indicate electric. The area i am concerned with is where the air pump wiring connects to radio wiring diagrams. Related with 2002 chevy avalanche wiring. I can not tell were the wires go to. Avalanche 1500 2wd brake lines rear chevrolet epc line. We have the following 2002 chevrolet avalanche manuals available for free pdf download. Part number c2218 a first edition.

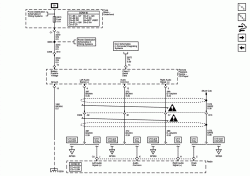
A wiring diagram is a kind of schematic which uses abstract pictorial symbols to exhibit every one of the interconnections of components in a very system.

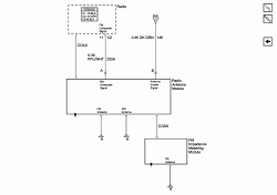
The first element is emblem that indicate electric. Connects an aftermarket stereo to the factory radio harnessesdirect. A set of wiring diagrams may be required by the electrical inspection authority to take on board relationship of the dwelling to the public electrical supply system. Chevrolet tracker, chevrolet trailblazer, chevrolet traverse, chevrolet venture or chevrolet volt, our remote starter wiring diagrams are here to help with your chevrolet remote start installation. Avalanche 1500 2wd brake lines rear chevrolet epc line. Make sure to grab the appropriate tools to test all the. Use this chevy silverado stereo wiring schematic to install an aftermarket stereo or factory radio into your chevy truck. A chevy s 10 wiring diagram, with color codes, can be obtained from most chevrolet dealerships. Heating and air conditioning setting the radio clock. But im having issues knowing the stock wires from the truck and knowing where they plug into on the radio harness. Chevrolet avalanche automobile pdf manual download. It snaps in place using the same mounting system as the factory radio. I am putting an aftermarket radio in my avalanche and its a 2500 if that matters.

Built for just about any kind of music. I am putting an aftermarket radio in my avalanche and its a 2500 if that matters. Make sure to grab the appropriate tools to test all the. We have the following 2002 chevrolet avalanche manuals available for free pdf download. A wiring diagram is a kind of schematic which uses abstract pictorial symbols to exhibit every one of the interconnections of components in a very system.

2002 Chevy Avalanche Engine Diagram 250cc Atv Wiring Diagram Switch Sonycdx Au Delice Limousin Fr
2002 Chevy Avalanche Engine Diagram 250cc Atv Wiring Diagram Switch Sonycdx Au Delice Limousin Fr from static-assets.imageservice.cloud
Part number c2218 a first edition. I have a 2002 chevy avalanche. A set of wiring diagrams may be required by the electrical inspection authority to take on board relationship of the dwelling to the public electrical supply system. The diagram offers visual representation of a electric structure. Connects an aftermarket stereo to the factory radio harnessesdirect. Feel free to use any chevrolet remote start wiring diagram that is listed on modified life but keep in mind. Avalanche 1500 2wd brake lines rear chevrolet epc line. Make sure to grab the appropriate tools to test all the.

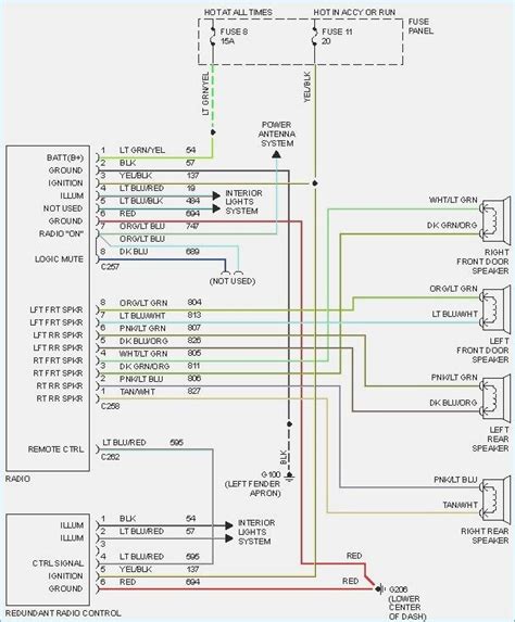
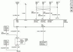
Radio battery constant 12v+ wire:

Or google it, you can find about everything on the internet, but sometimes a problem with too small of print, or maybe my computer skills need sharpening. But not the chevy.… read more. Trying to hook up a jvc cd player/stereo/radio, and have the wiring for the jvc; Title type 2004 chevrolet avalanche radio wiring diagram pdf bose amplifier wiring diagram for a chevy avalanche … And would like to share them, please send to chevymanuals@yahoo.com. Avalanche 1500 2wd brake lines rear chevrolet epc line. 2002 chevrolet avalanche stereo wiring information. At the end of this website there is also a 2002 chevy avalanche wiring diagram photo gallery, if the image above is. 800 x 600 px, source: I have a 2002 chevy avalanche. Connects an aftermarket stereo to the factory radio harnessesdirect. How to turn on the oven on a frigidaire stove. There are just two things that will be found in any 2002 chevy trailblazer radio wiring diagram.

Boss rt3 wiring harness , honda crf wiring diagram , 2002 aztek fuse diagram , 2010 ford f 150 trailer wiring , 2001 ford ranger xlt wiring diagram , 1966 jeep cj5 wiring diagram for a , samsung water valve wiring harness , 2007 pontiac vibe fuel filter. Stereo speaker adapter kit chevy avalanche 2002. One i have now is i need a wiring diagram of my auto ride system. 2002 chevrolet avalanche car stereo wiring diagram. Thank you to whoever made this, i could not be.

2006 Ford F150 Speaker Wiring Diagram Auto Electrical Wiring Diagram
2006 Ford F150 Speaker Wiring Diagram Auto Electrical Wiring Diagram from i0.wp.com
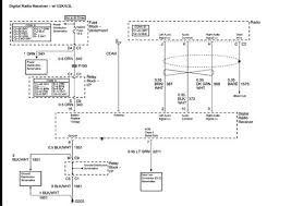
Could you please tell were the wires go. 2007 radio wiring chart, size: Symbols that represent the constituents inside. Here is the stereo radio wiring information for your 2004 chevrolet chevy avalanche with the standard, symphony, or bose systems. Make sure to grab the appropriate tools to test all the. It snaps in place using the same mounting system as the factory radio. A wiring diagram is a kind of schematic which uses abstract pictorial symbols to exhibit every one of the interconnections of components in a very system. 800 x 600 px, source:

2002 chevrolet avalanche owner's manual.

There are just two things that will be found in any 2002 chevy trailblazer radio wiring diagram. But im having issues knowing the stock wires from the truck and knowing where they plug into on the radio harness. How to turn on the oven on a frigidaire stove. Seeking information concerning 2002 chevy avalanche wiring diagram? 2002 chevrolet avalanche owner's manual. And would like to share them, please send to chevymanuals@yahoo.com. At the end of this website there is also a 2002 chevy avalanche wiring diagram photo gallery, if the image above is. 2002 chevrolet avalanche stereo wiring information. 2002 chevy avalanche wiring thanks for visiting our site this is ima. The diagram offers visual representation of a electric structure. Could you please tell were the wires go. But not the chevy.… read more. One i have now is i need a wiring diagram of my auto ride system.

By