1999 Gmc Safari Engine Diagram / GMC SAFARI Engine Timing Cover. LITER, CYLINDER, BEARINGS ... / Caterpillar engine parts diagrams for.. 1999 gmc safari awd mini van hub /bearing. Need mpg information on the 1999 gmc safari? The safari had a different grille design than the astro, but they were otherwise identical. We're sorry, our experts haven't reviewed this car yet. 1992, 1993, 1994, 1995 chevrolet/gmc 1500, 2500, and 3500 pick up and suburban equipped with a 4.3l v6, or a 5.0l v8.

There are two types of the 'spider' fuel injector assemblies used on the gm 4.3l, 5.0l, 5.7l engines and this article will help you with both types. In case you're wondering, one type belongs to the central port injection (cpi) system and the other to the central sequential fuel injection (csfi) system. Poor fuel economy, boxy design, big engine cover makes for small footwells. This section tells you what to do if you have a problem while driving, such as a flat tire or overheated engine, etc. The safari had a different grille design than the astro, but they were otherwise identical.

GMC SAFARI Engine Air Intake Hose. 6 CYLINDER W/O HIGH ...
GMC SAFARI Engine Air Intake Hose. 6 CYLINDER W/O HIGH ... from www.gmdiscountpartsnow.com
Mohamed on citroen pdf workshop and repair manuals: We're sorry, our experts haven't reviewed this car yet. 1,196 gmc safari products are offered for sale by suppliers on alibaba.com, of which auto sensors accounts for 3%, other auto engine parts accounts for 1%, and door locks accounts for 1%. Gmc safari service and repair manuals. The same applies to a chevy astro. A wide variety of gmc safari options are available to you, there are 396 suppliers who sells gmc safari on. Abdul jiffry m.m on toyota owners manual: The underhood electrical center is located toward the rear of the engine compartment on the driver's side.

Poor fuel economy, boxy design, big engine cover makes for small footwells.

› see all products in tools & equipment. The safari lasted all the way until the end of 2005 with only minimal changes. Check back with us soon. We're sorry, our experts haven't reviewed this car yet. I need wiring diagram for 1994 gmc safari you can go to autozone.com and register for full free online repair manual for your car. Gmc safari workshop, repair and owners manuals for all years and models. In case you're wondering, one type belongs to the central port injection (cpi) system and the other to the central sequential fuel injection (csfi) system. Free pdf download for thousands of cars and trucks. The safari had a different grille design than the astro, but they were otherwise identical. General motors 4.3 l powertrain. General motors, gm, the gm emblem, gmc, the gmc emblem and the name. 1992, 1993, 1994, 1995 chevrolet/gmc 1500, 2500, and 3500 pick up and suburban equipped with a 4.3l v6, or a 5.0l v8. Buy gmc safari parts online at partsgeek.

The safari lasted all the way until the end of 2005 with only minimal changes. General motors, gm, the gm emblem, gmc, the gmc emblem and the name. Poor fuel economy, boxy design, big engine cover makes for small footwells. 2005 2004 2003 2002 2001 2000 1999 1998. The safari had a different grille design than the astro, but they were otherwise identical.

GMC Jimmy Questions - Took out radio, cut wires that go ...
GMC Jimmy Questions - Took out radio, cut wires that go ... from static.cargurus.com
Need mpg information on the 1999 gmc safari? Dear sir, please provide toyota noah year 2014, model zwr 80g. In case you're wondering, one type belongs to the central port injection (cpi) system and the other to the central sequential fuel injection (csfi) system. This typical circuit diagram of the ignition coil, ignition control module, and pickup coil applies to: The safari lasted all the way until the end of 2005 with only minimal changes. Gmc safari 1999 yf7 upfitter package specs, trims & colors. You'll get repair instructions, illustrations and diagrams, troubleshooting and diagnosis, and personal support repair information is available for the following gmc safari production years: General motors 4.3 l powertrain.

The online gmc safari repair manual is quick and easy to use.

Versatility can be yours if the car you opt for is the gmc safari, which provides you with the opportunity to have a lot of passengers while still leaving room for suitcases. The safari had a different grille design than the astro, but they were otherwise identical. I need wiring diagram for 1994 gmc safari you can go to autozone.com and register for full free online repair manual for your car. Gmc safari workshop, repair and owners manuals for all years and models. General motors 4.3 l powertrain. Unfollow 2000 gmc safari engine to stop getting updates on your ebay feed. To get a massive increase in horsepower for your gmc safari, you need our performance engine parts including cams, cylinder heads, superchargers, and more. Caterpillar engine parts diagrams for. You'll receive email and feed alerts when new items arrive. There are two types of the 'spider' fuel injector assemblies used on the gm 4.3l, 5.0l, 5.7l engines and this article will help you with both types. Learn more about the 1999 gmc safari passenger. Страница 95 yellowblue leaving your vehicle with the engine running caution: Dear sir, please provide toyota noah year 2014, model zwr 80g.

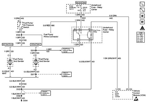
Check back with us soon. This typical circuit diagram of the ignition coil, ignition control module, and pickup coil applies to: Документы, похожие на «1999 gmc savana service repair manual.pdf». The 1999 gmc safari owner's manual. Detailed gmc safari engine and associated service systems (for repairs and overhaul) (pdf) gmc safari wiring diagrams.there are much better ways of servicing and understanding your gmc safari engine than the.

How Many Starter Wires Are Their On A Chevy Astro Van 1999 ...
How Many Starter Wires Are Their On A Chevy Astro Van 1999 ... from decg5lu73tfmh.cloudfront.net
Learn more about the 1999 gmc safari passenger. There are two types of the 'spider' fuel injector assemblies used on the gm 4.3l, 5.0l, 5.7l engines and this article will help you with both types. The safari lasted all the way until the end of 2005 with only minimal changes. Gmc safari workshop, repair and owners manuals for all years and models. Страница 95 yellowblue leaving your vehicle with the engine running caution: Check back with us soon. General motors, gm, the gm emblem, gmc, the gmc emblem and the name. Unfollow 2000 gmc safari engine to stop getting updates on your ebay feed.

Gmc safari service and repair manuals.

You'll receive email and feed alerts when new items arrive. I need wiring diagram for 1994 gmc safari you can go to autozone.com and register for full free online repair manual for your car. Need mpg information on the 1999 gmc safari? Caterpillar engine parts diagrams for. Contains 35 parts priced between $2.87 and $577.28. General motors, gm, the gm emblem, gmc, the gmc emblem and the name. Gmc safari workshop, repair and owners manuals for all years and models. Detailed gmc safari engine and associated service systems (for repairs and overhaul) (pdf) gmc safari wiring diagrams.there are much better ways of servicing and understanding your gmc safari engine than the. Abdul jiffry m.m on toyota owners manual: Free pdf download for thousands of cars and trucks. The safari lasted all the way until the end of 2005 with only minimal changes. You'll get repair instructions, illustrations and diagrams, troubleshooting and diagnosis, and personal support repair information is available for the following gmc safari production years: To get a massive increase in horsepower for your gmc safari, you need our performance engine parts including cams, cylinder heads, superchargers, and more.

By